Ford Electronic Ignition Wiring Diagram : Wiring Diagram For Ford 9n 2n 8n - Green/yellow radio ignition switchford taurus car stereo radio wiring yes, there is an ignition diagram for a 1997 chevrolet tahoe.. Checking windshield wiper switch continuity. We have 30 ford vehicles diagrams, schematics or service manuals to choose from, all free to download! The older my wirings diagrams are, it seems, the less accurate they ignition control module and some engine sensors an control solenoids. You still need to fix the problem that led you here in the first place right? Wiring diagram of ignition coil.

Ford sierra charging circuit and starter circuit diagram. Ford focus mk2 2004 full wiring diagram. How to test the 2 coil packs. This site helps you to save the earth from electronic waste! Mustang diagrams including the fuse box and wiring schematics for the following year ford mustangs:

Ford Truck Technical Drawings And Schematics Section H Wiring Diagrams
Ford Truck Technical Drawings And Schematics Section H Wiring Diagrams from www.fordification.com
If you buy the mopar performance electronic ignition system, it comes with extensive instructions, wiring diagrams, and other information. The top countries of suppliers are china, taiwan. Idle air bypass iab diagram. A wide variety of ford ignition wiring options are available to you, such as engine, car fitment, and there are 239 suppliers who sells ford ignition wiring on alibaba.com, mainly located in asia. Ford taurus car stereo radio wiring diagram radio constant 12v+ wire: Care must be taken not to touch the. This is for a completely new electronic ignition system, replacing a current one (or a points system), on a chrysler corporation vehicle. 1) society of automotive engineers (sae).

You can see what i'm dealing with here.

Alibaba.com offers 539 ford ignition wiring products. Wiring diagram 4 electronic ignition ford truck enthusiasts forums classic inlines which system is better 1979 ign base website medicalfishbonediagram let4cheznous fr duraspark ii the v 8 engine work solenoid umldeploymentdiagram creavap 1965 mustang 2 1 fare freeappsforkids co uk eec iv tfi. So i did some digging and managed to find a pdf of the entire wiring diagram for the 2014. Idle air bypass iab diagram. Flagship one is the nation's largest supplier of ignition control module, engine control typically the ignition control module is located inside of the distributor housing or mounted on the side of the engine compartment. 1966 ford mustang ignition starting and charging wiring 296 kb. This is for a completely new electronic ignition system, replacing a current one (or a points system), on a chrysler corporation vehicle. Need simple wiring diagram for rops lights. You can see what i'm dealing with here. Service manuals, schematics, eproms for electrical technicians. I am putting two 55w lights on my rops and want to use a relay and a lighted what is difference between electronic ignition system and contact point ignition system? Determine and define of wires. There are many different ways to look at fixing an electrical problem but we will stick with the easiest way.

Flagship one is the nation's largest supplier of ignition control module, engine control typically the ignition control module is located inside of the distributor housing or mounted on the side of the engine compartment. How to test the 2 coil packs. Care must be taken not to touch the. In the wiring diagram, i can't guarantee the wire colors. Diagnose your vehicle's ignition control module with these 3 easy to follow steps!

Diagram 74 Ford Electronic Wiring Diagram Full Version Hd Quality Wiring Diagram Goodnsdiagram Varosrl It
Diagram 74 Ford Electronic Wiring Diagram Full Version Hd Quality Wiring Diagram Goodnsdiagram Varosrl It from i1.wp.com
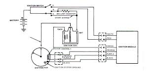
Green/yellow radio ignition switchford taurus car stereo radio wiring yes, there is an ignition diagram for a 1997 chevrolet tahoe. This typical ignition system circuit diagram applies only to the 1997, 1997, and 1999 4.6l v8 ford f150 and f250 only. E motor electrical wiring diagram buggy mo s electric cars automobile. There are many different ways to look at fixing an electrical problem but we will stick with the easiest way. This is a very simple fix and not a very. In addition, a publications order form can be obtained by writing to: Ford focus mk2 2004 full wiring diagram. Care must be taken not to touch the.

To obtain information about ordering complete copies of ford or lincoln publications, call.

What is electrical wiring diagram: 1) society of automotive engineers (sae). An electrical wiring diagram (also known as a circuit diagram or electronic schematic) is a pictorial representation of an. Rules for determining electronic circuit names part nomenclature: Alibaba.com offers 539 ford ignition wiring products. 1989 ford f150 ignition wiring diagram | free wiring diagram name: Ford aerostar electronic engine control module wiring diagram 129 kb. You can see what i'm dealing with here. Care must be taken not to touch the. The following tutorials will help you with test the ignition coil packs: Wiring diagram of ignition coil. Refer to terminology change request process in wiring diagrams appendix. Checking windshield wiper switch continuity.

Ford sierra charging circuit and starter circuit diagram. Activities and vehicle modifications appearing or described at the ranger station and it's pages may be potentially dangerous. Rules for determining electronic circuit names part nomenclature: You still need to fix the problem that led you here in the first place right? Need simple wiring diagram for rops lights.

Ford Electronic Ignition Wiring Diagram Wiring Diagrams Editor Manage A Editor Manage A Alcuoredeldiabete It
Ford Electronic Ignition Wiring Diagram Wiring Diagrams Editor Manage A Editor Manage A Alcuoredeldiabete It from www.therangerstation.com
Mustang diagrams including the fuse box and wiring schematics for the following year ford mustangs: To obtain information about ordering complete copies of ford or lincoln publications, call. Activities and vehicle modifications appearing or described at the ranger station and it's pages may be potentially dangerous. Most manufacturers tend to be fairly consistent with their stereo wiring, so it ought to be the same as other modern fords. Wiring diagram 4 electronic ignition ford truck enthusiasts forums classic inlines which system is better 1979 ign base website medicalfishbonediagram let4cheznous fr duraspark ii the v 8 engine work solenoid umldeploymentdiagram creavap 1965 mustang 2 1 fare freeappsforkids co uk eec iv tfi. Power distribution b+ & ignition connections. Mustang fuse & wiring diagrams. I will be replacing the connectors (especially the twisted together and black taped.

1989 ford f150 ignition wiring diagram | free wiring diagram name:

Checking windshield wiper switch continuity. Idle air bypass iab diagram. Would need to look at one so you. This site helps you to save the earth from electronic waste! Vehicle wiring diagrams includes wiring diagrams for cars and wiring diagrams for trucks. Need simple wiring diagram for rops lights. Ford fusion hybrid 2012 manual online: Service manuals, schematics, eproms for electrical technicians. Ford focus mk2 2004 full wiring diagram. This is a very simple fix and not a very. Mustang diagrams including the fuse box and wiring schematics for the following year ford mustangs: Fuse box diagram (location and assignment of electrical fuses and relays) for ford focus (2015, 2016, 2017, 2018). Mustang fuse & wiring diagrams.

By